-
产品分类
- 人源 (28)
- 大鼠源 (4)
- 小鼠源 (6)
- 仓鼠源 (1)
- 猪源 (0)
- 猴源 (0)
- 牛源 (0)
- 昆虫源 (0)
- 兔源 (0)
- 鸡源 (0)
- 负鼠源 (0)
- 鸭源 (0)
- 猫源 (0)
- 狗源 (0)
- 绿猴源 (0)
- 羊源 (0)
- 其他源 (3)
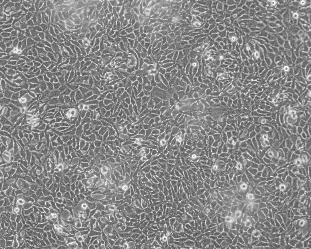
293T 人胚肾细胞
价 格:¥询价
产品编号:GL0024
细胞数量:1*10^6
组织来源:肾
细胞种属:人
培养基:10%FBS+90%DMEM
形态特征:上皮样
传代方法:建议传代比例为1:3至1:6
培养条件:环境:空气,95%; 二氧化碳(CO2),5%;温度,37℃
细胞描述:
细胞冻存:液氮冻存(冻存液基础培养基+20%FBS+10%DMSO)
细胞运输:干冰运输(2ml冻存管)或活细胞运输(T25瓶)
收藏商品
分享到

冻存细胞接收后的处理:
1.干冰运输,收到细胞后立即转入-80℃冰箱短暂中转或直接复苏;
2.收到细胞后,若发现干冰已经完全挥发、冻存管瓶盖破裂脱落,请立即拍照后与我们联系。
复苏细胞接收后的处理:
1.收到细胞后,请首先检查培养瓶是否破损或漏液,培养液是否混浊,如有漏液及培养液混浊情况请立即拍照把图片发给我们。
2.75%酒精消毒瓶身后放培养箱中静置4-6h后,在显微镜下确认细胞状态并拍照100倍和200倍的照片,若有贴壁细胞脱落,可收集上清离心,将沉淀用新的培养基接种至新的培养瓶或培养皿中。
3.建议收到当天不要消化处理,如果细胞长满90%,可选择传代处理。
4.如您收到细胞3天内没有反馈相关问题,出现的细胞问题将不提供免费重发服务。
细胞培养方法:
1、细胞传代:细胞密度达到80-90%时即可传代
①弃去培养上清,用PBS或生理盐水清洗1-2次;
②加入2ml0.25%胰酶(T25瓶),使胰酶覆盖整个瓶或皿,盖好放入培养箱消化;
③1-2min后,显微镜下观察细胞,若大部分细胞回缩且有少量细胞脱落,轻轻吹打下确认消化情况后加入完全培养基终止消化;若细胞还是贴壁,放回培养箱继续消化至可以轻轻吹打下为止;
④将细胞悬液1000RPM左右条件下离心4min,弃上清;
⑤用新鲜培养基重悬后加入培养瓶或皿中,T25培养瓶加6-8ml培养基;
⑥悬浮细胞直接离心收集,细胞沉淀重悬后分到新培养瓶中。
2、细胞复苏:
①将冻存管在37℃温水中快速摇晃融化,时间1min左右,加入4-5ml培养基混匀。
②在1000RPM左右条件下离心4min,弃上清,加1-2ml培养基吹匀,将细胞悬液加入培养瓶中,补加适量培养基。
3、细胞冻存:待细胞生长状态良好时进行细胞冻存保种
①弃去培养上清,用PBS或生理盐水清洗1-2次,加入1mL 0.25%胰蛋白酶(T25瓶)
②1-2min后,显微镜下观察细胞,大部分细胞回缩且有少量细胞脱落,轻轻吹打下确认消化情况后加入完全培养基终止消化;
③将细胞悬液1000RPM左右条件下离心4min,弃上清,加1ml冻存液重悬细胞;
④将冻存管放入程序降温盒,放入-80℃冰箱,4小时后将冻存管转入液氮罐储存。

















